Products

Controller SAC Air compressor controller

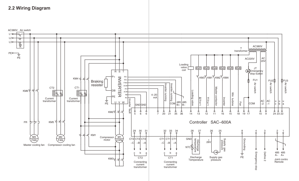
Product Description

SAC Air compressor controller

Product Enquiry
Request For Products

logosmall2

innotec offers integrated solutions in istrumentation and automatic control systems.

company profile

Contact Info

Mostafa Kamel
Alexandria, Egypt

Email: This email address is being protected from spambots. You need JavaScript enabled to view it.

Phone: +2 010 9651 1368